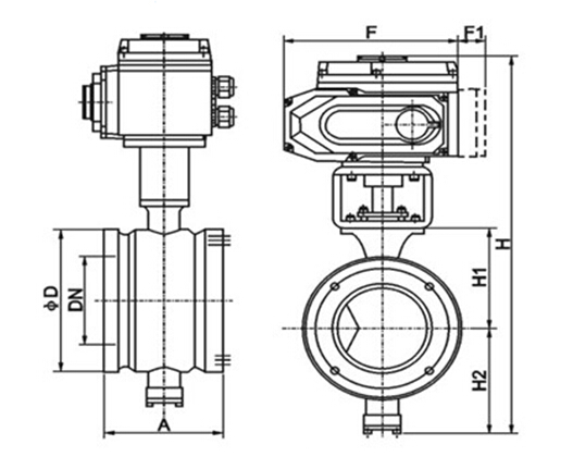
Electric V-type regulating ball valve, with BS series actuator, no need servo magnifier, input (4-20mA DC or 1-5V DC)signal and single-phase power to control the operation, achieve to the adjustment of pressure, flowage, temperature, liquid level etc. There is V incision on discs ,bring forth shearing force by rotating relatively with hard sealing valve seat which can cut fiber and avoid jamming, It is high flowage and accurary of adjustment, well sealing, light etc. It is the optimal product that take the place of imported product, and suitable for most occasion except small-caliber ,angle form, connect in three way, especially used for the adjustment of slurry, fibering medium and medium with micro float particle. Electric V-type adjusting ball valve widely applies to the automatic control system such as paper making, sugar manufacturing, petroleum, chemical industry, and metallurgy.
The introduction of German technology to design has the advantages of simple structure, light weight, low material cost, than the same flow capacity of the straight travel valve more economical. |||
The whole body without any pipe joint, and therefore not subject to pipeline or bolt stress influence, and because the valve body without any pipe joints, so the pressure hull are not affected by the pressure of "mutation". |||
Leak proof and the outside diameter of the valve seat is lined with stainless steel inner core PTFE cup or O type sealing ring, valve seat made of tungsten carbide cobalt larger section, made by an alloy, through a corrugated spring alloy further enhances the seat structure. |||
With a V type valve, even in small flow rate or high viscosity media, also can be in the range, accuracy control. |||
When the valve is closed, the wedge-shaped shearing V notch and the valve seat, and both have a self-cleaning function can prevent the ball stuck, especially suitable for the freezing pipeline, fiber containing fluid, slurry liquid, high viscosity, containing polymer particles, crystals, such as fluid control applications. |||


