Bestone
Home
About us
Products
Industry Case
Contact us
Body material: WCB, 304, 316 Nominal diameter: DN15-DN200 Pressure range: 1.6-6.4Mpa Fluid temperature: -20 ℃ -450 ℃ Suitable medium:
Details
The GB standard pneumatic ball valve in the pipeline is mainly used to do the cutting speed, the flow direction of media distribution and change. Pneumatic ball valve is a new valve in recent years, the most widely used.
Features
Fluid resistance small, the drag coefficient with the same length of pipe. Simple structure, small volume, light weight. ||| closely reliable, valve sealing surface material widely used plastic, good sealing performance, in the vacuum system has also been widely used. ||| operation is convenient, quick open and close, from fully open to fully closed as long as the rotation 90 °, facilitate remote control. ||| repair convenient, simple pneumatic valve, seals are generally activities, the removal of the replacement is more convenient. In the fully open or fully closed, the ball and seat sealing surface and the dielectric isolation, the medium through, will not cause erosion of the valve sealing surface. ||| pneumatic valve has wide range of application, from small diameter to a few millimeters, a few meters from the high vacuum, high pressure can be applied. Widely used in petroleum, chemical, electric power, papermaking, atomic energy, aerospace, rockets and other departments, and in daily life. |||
Detailed Parameters

specification



Note: the series of ball valve structure length and connecting flange size can be designed and manufactured according to user requirements

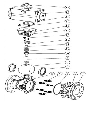
The main parts material list


The main components and sealing ring materials can also be according to the special requirements of actual working conditions or the user selection in design.

main shape and connecting flange size BSQ641 (F, H)



1
1