邦颂自控
首页
关于邦颂
邦颂产品
成功案例
联系我们
首页
关于邦颂
邦颂产品
成功案例
联系我们
联系电话:021-66506666
QQ:18277336663
BSQ981电动快装卫生球阀
邦颂优势:
质量稳定,常规产品现货供应,非常规产品皆可定做!
立即咨询
阀体材质:304、316、316L 公称通径:DN15-150mm 压力范围:1.6Mpa 功能选项:防爆、开关 流体温度:-20℃-250℃ 适用介质:卫生级别工矿适用 连接方式:对焊、卡箍
产品详情
BS系列卫生级球阀,皆经过了精密的检验流程和严格的品质管理,流道经过精密抛光和除菌处理,采用了全包的4F密封,
没有死角且容易清洗。执行器与球阀连接无需支架,减少了因安装连接引起的质量问题,同时也为厂区密密麻麻的设备节
约了空间。
产品特点
采用316不锈钢精制而成
|||
流道内壁240Grit抛光,保持流体畅通无阻
|||
采用的全包PTFE没有死角,保证卫生
|||
无支架与执行器一体式连接
|||
详细参数
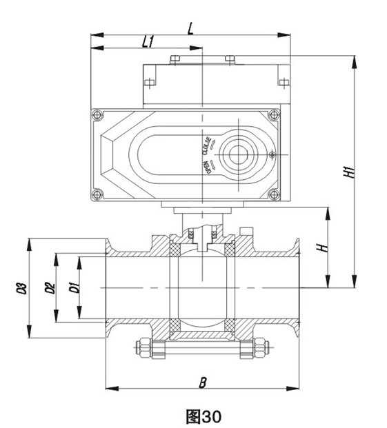
主要结构参数
外型安装尺寸
阀门连接尺寸及重量
点击下载:
BSQ981电动阀系列
1
1
扫码关注微信小程序
邦颂服务
关于邦颂
适用行业
产品展示
联系我们
联系我们
销售中心:中国·上海市祁连山南路2888号耀光中环国际大厦B幢9楼
021-66506666
021-65255666
bestone@be-stone.cn
http://www.be-stone.cn
联系我们
销售中心:中国·上海市祁连山南路2888号耀光中环国际大厦B幢9楼
021-66506666
021-65255666
bestone@be-stone.cn
http://www.be-stone.cn
COPYRIGHT@上海邦颂自控阀门有限公司1989-2013 备案号: 沪ICP备09066491号-5 | 使用条款 | 隐私保护 | 网站地图 | RSS