邦颂自控
首页
关于邦颂
邦颂产品
成功案例
联系我们
阀体材质:WCB、304、316 公称通径:DN50-DN1000mm 压力范围:1.6、2.5、4.0Mpa 流体温度:-20℃-450℃ 连接方式:法兰 适用介质:水、空气、天然气、油品及弱腐蚀性流体
产品详情
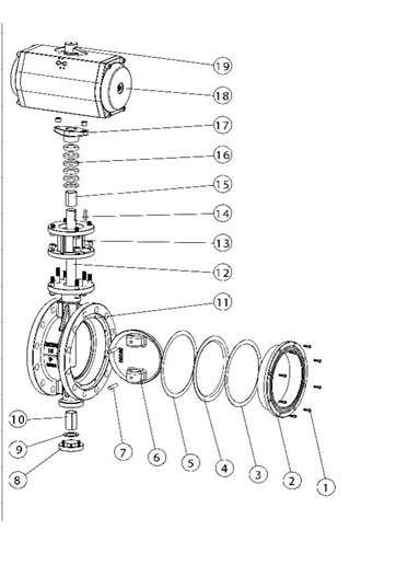
D643H气动法兰式多层次硬密封蝶阀系列产品,系长寿命、节能型蝶阀。其结构采用三维编心原理设计,阀座采用硬软密封兼容的多层次结构,加工精湛,工艺先进。本产品由阀体、蝶板、多层次阀座、阀杆、传动机构等主要部件组成。因此被广泛地应用到冶金、电力、石油、化工、空气、煤气、可燃气体以及给排水等腐蚀性介质的管道上。由于本产品蝶阀采用的是三维偏心原理设计,使密封面的空间运动轨迹达到理想化,密封面相互之间无磨擦、无干涉、加之密封材料选择得当,从而使蝶阀的密封性、耐腐蚀性、耐高温性和耐磨性等得到了可靠的保证。
产品特点
开启力矩小,灵活方便,省力节能。|||
三维编心结构,使蝶板越关越紧,其密封性能可靠,达到无泄漏。|||
耐高压、耐腐蚀、耐磨损、使用寿命长等。
详细参数

技术规范


注:系列蝶阀结构长度及连接对夹法兰尺寸可根据用户要求设计制造

主要零件材质表



注:主要零部件及密封圈的材质亦可根据实际工况条件或用户特殊要求设计选用.

主要外形及连接法兰尺寸BSQ641(F、H)


点击下载:BSD641H气动阀系列

1
1