Bestone
Home
About us
Products
Industry Case
Contact us
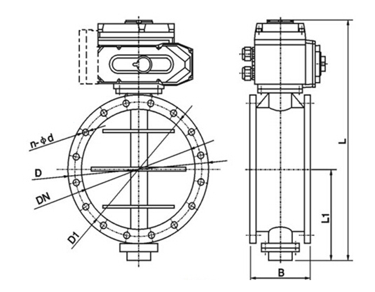
Body mat'l: cast iron,WCB,304,316 Nominal dia.: DN50-2000mmPress. range: 0.1~0.6MpaFluid temper.: -40 ℃ -400 ℃ Suitable medium: smoke, dust, air or fluid containing suspended particles and thick pasty fluid
Details
BSD941W Serie Electric ventilation control butterfly valve, is composed of electric actuator and butterfly valve. Use BS or BSQ electronic electric actuator as driving device, electromechanical integration, servo operation internal and opening signal position feedback, position indicator, manual operation and other functions, strong function, reliable performance and accurate control,  AC220V or AC380V input power as motive power, recieving (4 ~ 20mA or 1 ~ 5VDC) current signal or voltage signal from controlling system and control the operation, achieve to the regulation of ratio control and switch control.
Features
Ventilation butterfly valve body using the same materials and processed into the sealing ring, the suitable temperature and corrosion resistance material and old valve, nominal pressure < 0.6Mpa, the amount of leakage control within the maximum circulation of 2%, applied to the industry, metallurgy, environmental protection and other pipes for ventilation regulating media flow in. ||| has the advantages of simple structure, light weight, small operation torque, rapid opening and closing, flexible action, large flow capacity, high accuracy regulation. ||| applicable and smoke, dust, air or fluid containing suspended particles and thick, pasty fluid regulation and control.
Detailed Parameters