邦颂自控
首页
关于邦颂
邦颂产品
成功案例
联系我们
首页
关于邦颂
邦颂产品
成功案例
联系我们
联系电话:021-66506666
QQ:18277336663
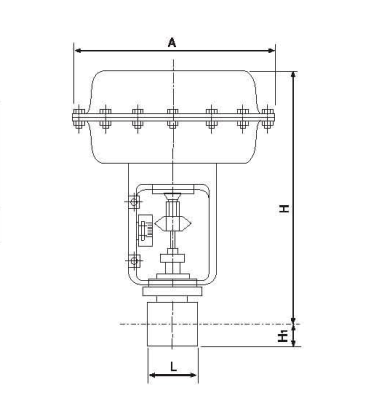
BSZMAY气动薄膜小流量调节阀
邦颂优势:
质量稳定,常规产品现货供应,非常规产品皆可定做!
立即咨询
阀体材质:304、316 公称通径:1/2″ 3/4″ 压力范围:1.6、4.0、6.4Mpa 流体温度:-40℃-450℃ 适用介质:水、蒸汽、海水、食品等
产品详情
ZMABY气动薄膜小流量调节阀,由气动薄膜多弹簧执行构和小流量阀组成。适用于较小流量的调节,具有结构紧凑,体积小,重量轻,安装维护方便的特点。
产品特点
ZMABY气动薄膜小流量调节阀,由气动薄膜多弹簧执行构和小流量阀组成。
|||
适用于较小流量的调节,具有结构紧凑,体积小,重量轻,安装维护方便的特点。
|||
详细参数
阀体
阀内组件
执行机构
阀作用型式
气关式(B) — 失气时阀位开(FO);气开式(K) — 失气时阀位关(FC)
附 件
定位器、空气过滤减压器、保位阀、行程开关、阀位传送器、手轮机构等
性 能
额定流量系数KV、额定行程、允许压差
注:允许压差确定依据:1)标准弹簧; 阀关闭P2=0; 2)流向为底进高出。
点击下载:
BSZMABY调节阀系列
扫码关注微信小程序
邦颂服务
关于邦颂
适用行业
产品展示
联系我们
联系我们
销售中心:中国·上海市祁连山南路2888号耀光中环国际大厦B幢9楼
021-66506666
021-65255666
bestone@be-stone.cn
http://www.be-stone.cn
联系我们
销售中心:中国·上海市祁连山南路2888号耀光中环国际大厦B幢9楼
021-66506666
021-65255666
bestone@be-stone.cn
http://www.be-stone.cn
COPYRIGHT@上海邦颂自控阀门有限公司1989-2013 备案号: 沪ICP备09066491号-5 | 使用条款 | 隐私保护 | 网站地图 | RSS