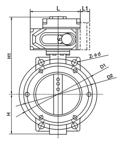
采用精密的U形弹性密封圈和三偏心多层次金属硬密封机构,被广泛用于介质温度≤425℃的治金、电力、石油化工、以及给排水和市政建设等工业管道上,作调解流量和截断流体适用。该阀采用三偏心结构,阀座与碟版密封面均采用铸钢和不锈钢制作,具有良好的耐腐蚀性,使用寿命长,本阀均有双向密封功能,产品符合国家GB/T13927-92阀门压力试验标准
本阀采用三偏心密封结构,阀座与蝶板几乎无磨损,具有越管越紧的密封功能。|||
密封圈选用不锈钢制作,具有金属硬密封盒弹性密封的双重优点,无论在低温和高温的情况下,均具有优良的密封性能,具有耐腐蚀,适用寿命长等特点。|||
蝶板密封面采用堆焊钴基硬质合金,密封面耐磨损,适用寿命长。|||
本阀具有双向密封功能,安装时不受节制流向的限制,也不受空间位置的影响,可在任何方向安装。|||
驱动装置可以多工位(旋转90°或180°)安装,便于用户适用。|||


