邦颂自控
首页
关于邦颂
邦颂产品
成功案例
联系我们
首页
关于邦颂
邦颂产品
成功案例
联系我们
联系电话:021-66506666
QQ:18277336663
BSH41W法兰升降式止回阀
邦颂优势:
质量稳定,常规产品现货供应,非常规产品皆可定做!
立即咨询
阀体材质:铸钢,不锈钢 公称通径:DN6-100mm 压力范围:1.0~4.0Mpa 流体温度:-20℃-300℃ 适用介质:水、蒸汽、油品、硝酸、醋酸
产品详情
止回阀又称单向阀或逆止阀,其作用是防止管路中的介质倒流。水泵吸水关的底阀也属于止回阀类。
启闭件靠介质流动和力量自行开启或关闭,以防止介质倒流的阀门叫止回阀。止回阀属于自动阀类,主要用于介质单向流动的管道上,只允许介质向一个方向流动,以防止发生事故。
止回阀按结构划分,可分为升降式止回阀、旋启式止回阀和蝶式止回阀三种。升降式止回阀可分为立式和卧式两种。旋启式止回阀分为单瓣式、双瓣式和多瓣式三种。
产品特点
止回阀又称单向阀或逆止阀,其作用是防止管路中的介质倒流。水泵吸水关的底阀也属于止回阀类。
|||
启闭件靠介质流动和力量自行开启或关闭,以防止介质倒流的阀门叫止回阀。止回阀属于自动阀类,主要用于介质单向流动的管道上,只允许介质向一个方向流动,以防止发生事故。
|||
止回阀按结构划分,可分为升降式止回阀、旋启式止回阀和蝶式止回阀三种。升降式止回阀可分为立式和卧式两种。旋启式止回阀分为单瓣式、双瓣式和多瓣式三种。
|||
详细参数
主要性能规范
内部零部件及材质
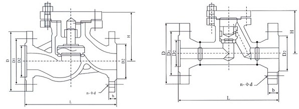
结构图
主要外形尺寸和连接尺寸
1
1
扫码关注微信小程序
邦颂服务
关于邦颂
适用行业
产品展示
联系我们
联系我们
销售中心:中国·上海市祁连山南路2888号耀光中环国际大厦B幢9楼
021-66506666
021-65255666
bestone@be-stone.cn
http://www.be-stone.cn
联系我们
销售中心:中国·上海市祁连山南路2888号耀光中环国际大厦B幢9楼
021-66506666
021-65255666
bestone@be-stone.cn
http://www.be-stone.cn
COPYRIGHT@上海邦颂自控阀门有限公司1989-2013 备案号: 沪ICP备09066491号-5 | 使用条款 | 隐私保护 | 网站地图 | RSS