邦颂自控
首页
关于邦颂
邦颂产品
成功案例
联系我们
阀体材质:WCB、304、316 公称通径:DN25-300mm 压力范围:1.6、2.5、4.0、6.4Mpa 流体温度:-40℃-400℃ 功能选项:调节、开关、防爆 适用介质:水、石油、硝酸类、醋酸类、粘性流体、浆料、强氧化性介质等
产品详情
电动V型调节球阀,配用BS系列执行机构,无需另配伺服放大器,输入(4~20mADC或1-5VDC)信号及单相电源即可控制运转、实现对压力、流量、温度、液位等参数的调节。阀芯上开有V型切口,与硬密封阀相对转动产生剪切力,可将纤维切断,防止卡死。具有流通能力,调节精度高,可调比大,密封性好,重量轻等特点。适用于除小口径、角型、三通连接外的大部分场合,特别适用于泥浆和含有纤维性介质,以及含有微小固体悬浮物介质的调节。广泛应用于造纸业、制糖、石油、化工、冶金等工业自动控制系统中。
产品特点

引进德国技术设计结构简单、重量轻、材料成本低,比同样流通能力的直行程调节阀更经济。|||

不带任何管接头的整体式阀体,因此不受管道或螺栓应力影响,并且由于阀体无任何管接头,故耐压壳体不会受压力“突变”的影响。|||

防漏而用的阀座在其外径处衬有不锈钢内芯PTFE杯形或是O型密封圈,阀座用截面较大的钨钴硬质合金制成,通过一个合金制成,通过一个合金的波纹弹簧进一步增强了阀座的结构。|||

具有一个V型阀体,即使在小流量或高粘度介质的情况下,也可在整个量程范围内,保证控制的精确性。|||

当阀门关闭时,V型缺口与阀座之间产生楔形剪切作用,并既具有自洁功能可防止球芯卡死,特别适用于管线结垢冻结、含纤维质的流体、料浆类流体、高粘度流体,含聚合物、颗粒物、结晶体等流体控制场合。|||

详细参数

阀门规格参数


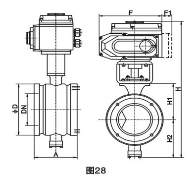
阀门连接尺寸(虚线部分为模拟量控制盒,开关型无此尺寸)

主要连接尺寸


点击下载:BSQ941电动阀系列


1
1